3871-Titelbild finale Variante
回到所有新闻

好优利Tool Selector(刀具选型器)—— 数字化高效匹配去毛刺刀具解决方案

21.05.2025 | 好优利精密工具推出的在线刀具选型器,可在数分钟内为您精准匹配最优去毛刺方案。通过数字化整合全线产品库并结合智能算法,用户可瞬时锁定适用刀具,极大缩短工具选型时间。
Tool Selector

现代制造业中,精密高效的加工工艺直接决定产品质量与成本效益。尤其在孔加工领域,理想刀具不可或缺,但传统选型过程往往耗时且复杂。

 

选型复杂性源于多重因素的综合考量:需明确工艺技术要求——是仅需去除毛刺,还是必须完成锪孔?需精准测量孔径尺寸与目标成型效果;需确认待加工材料特性。若仅依靠人工查阅技术参数表,将耗费大量宝贵时间。市场迫切需要一种快速可靠的方法,精准匹配特定应用场景的解决方案。

基于网页端精密选型去毛刺刀具

好优利Tool Selector刀具选型器通过直观可靠的现代化清晰界面,逐步引导用户找到完美解决方案。该选型工具基于多年实践经验开发,完整涵盖好优利全系列标准刀具解决方案。

 

用户可通过结构清晰、视觉友好的网页界面输入具体应用参数,系统将快速高效地推荐最优去毛刺方案。凭借直观易用的导航系统,选型流程可实现逐步精准引导。

3875-Start interface tool Selector

第一步:选择加工工序
用户首先从以下工艺类型中选择所需技术:去毛刺倒角锪孔复合钻孔。该初始选择将自动筛选出匹配的刀具范围。

第二步:选择刀具系列并设定参数
根据选定的加工类型,刀具选型器将呈现所有适用的好优利刀具解决方案。用户随后输入具体的应用参数,包括钻孔与去毛刺直径、工件高度、待加工孔口形状、工件规格及材料属性。系统将基于这些信息生成针对特定应用的定制化推荐方案。

第三步:选型结果
基于输入的数据,刀具选型器将推荐最合适的好优利去毛刺解决方案,并以简洁的格式呈现所有相关信息——包括尺寸、切削参数及编程指导。特别优势在于:推荐方案可保存为单页PDF文档或直接打印,方便用户即时使用。

第四步:直连好优利技术专家
若推荐方案需进一步说明或需立即订购,我们建议您直接与好优利专家对话。用户可通过选型器向好优利团队提交技术咨询,并上传工件图纸或3D模型。作为全球公认的去毛刺技术专家,好优利乐意为您提供个性化技术支持。

 

凭借清晰的步骤化结构,该选型器使用户能够快速锁定精准的去毛刺解决方案——操作简单、目标明确,且完全个性化定制。

«这款选型工具能帮助我们在最短时间内为客户提供理想解决方案。其直观易懂的操作界面,即使是刚接触去毛刺领域的用户也能轻松上手。»
Naser Tajroski
好优利精密刀具市场开发经理

刀具选型器如何为用户创造价值

一、即时效益

高效选型:根据具体应用参数,在数分钟内从好优利全系列标准产品中精准匹配最优去毛刺方案

零门槛操作:直观界面与现代化设计无需专业技术背景,特别适合行业新手快速上手

即用型输出:选型完成后自动生成精简PDF技术文档,含推荐工具的全部关键参数

 

二、长期价值

工艺优化:通过选型器推荐的理想方案提升加工过程可靠性,显著降低错误率与返工需求

成本控制:减少试错成本和材料浪费,通过精准匹配实现全生命周期成本优化

 

三、延展服务

标准方案全覆盖Tool Selector工具选型器系统完整呈现好优利标准去毛刺解决方案库

定制化对接:当遇到特殊需求时,用户可直接联系好优利技术专家,共同开发量身定制的非标解决方案

在现代制造环境中,实现成本效益必须兼顾精度与效率——而精准快速的工具选型正是迈向这一目标的关键第一步。

3874-Anwendungsbeispiel  Cofa Final

刀具选型器实例

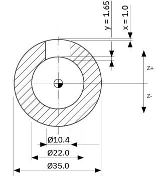
某用户需要对钢管上的10.4毫米孔径进行去毛刺加工。

3877-Tool Selector Results

刀具选型器操作流程

第一步
选择加工类型「去毛刺」

第二步

选择COFA刀具系列(≥Ø 2mm孔的正反面去毛刺)

输入关键参数:
▸ 孔径:10.4 mm
▸ 去毛刺直径:11.6 mm
▸ 工件高度(孔深):8.15 mm
▸ 加工要求:正反面去毛刺
▸ 表面特征:曲面
▸ 内径:22 mm
▸ 中心偏移量:0 mm

系统根据参数自动计算得出15.9°刀片间隙角(对管道去毛刺至关重要)

材料选择:中高碳钢

第三步
选型器推荐解决方案:

推荐工具:COFA C8/10.4/H刀具 + 20°间隙角刀片

同步提供:切削参数与编程指导

第四步
一键下载技术文档PDF,或直接联系专家咨询——完成选型